太阳3娱乐
2020年度广东太阳3娱乐网(江门市)工作年度报表_通知公告_江门市太阳3娱乐和数据管理局
江门市政府门户网站
繁体
政务微信
网站支持IPv6
江门市太阳3娱乐和数据管理局
网站首页
机构职能
领导分工
部门职能
政务公开
工作动态
通知公告
重点领域信息公开
政策文件
政策解读
财政预决算
党建工作
太阳3娱乐
政府热线
广东省公共资源交易平台
政民互动
通知公告
当前位置:
首页
>
部门频道
>
江门市太阳3娱乐和数据管理局
>
政务公开
>
通知公告
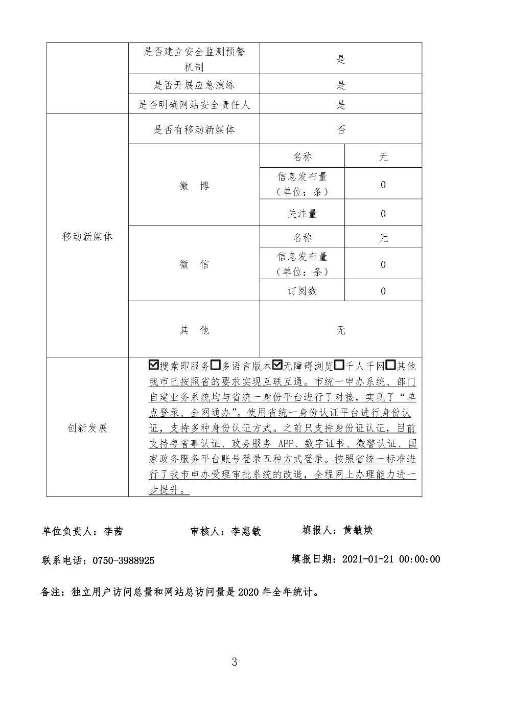
2020年度广东太阳3娱乐网(江门市)工作年度报表
发布时间:2021-01-22 17:50:44
来源:市政数局
字体【
大
中
小
】
分享到:
附件下载:
2020年度广东太阳3娱乐网(江门市)工作年度报表.pdf
扫一扫在手机打开当前页
【TOP】
【
打印页面
】【
关闭页面
】
全球十大外围足球网址首页
体育盘口在线
ag体育真人唯一官方
十博下载体育入口
乐动体育官方平台网址
365体育版app下载
ag体育亚亚洲入口
凤凰体育app买球官方苹果
明陞体育m88首页登录
>网站地图-sitemap