江环办函〔2020〕84号
分级管控工作指引》的函
各市(区)分局:
工业炉窑大气污染综合治理是打赢蓝天保卫战的重点任务。为进一步减少涉工业炉窑企业污染物排放,持续改善环境空气质量,省生态环境厅制定了《广东省涉工业炉窑企业大气分级管控工作指引》,现转发给你们,并结合我市实际提出如下意见,请一并贯彻执行。
一、请你们高度重视,按照《广东省工业炉窑重点行业现场检查指引(试行)》要求,迅速组织人员对辖区内列入《广东省工业炉窑分级管控清单(2019年版)》企业开展执法检查,逐一核实检查要点的落实情况,并现场登录工业炉窑检查APP录入检查情况,对不符合“检查指引”要求的企业明确整改期限,并加大指导帮扶力度,促使企业加快推进提标升级。
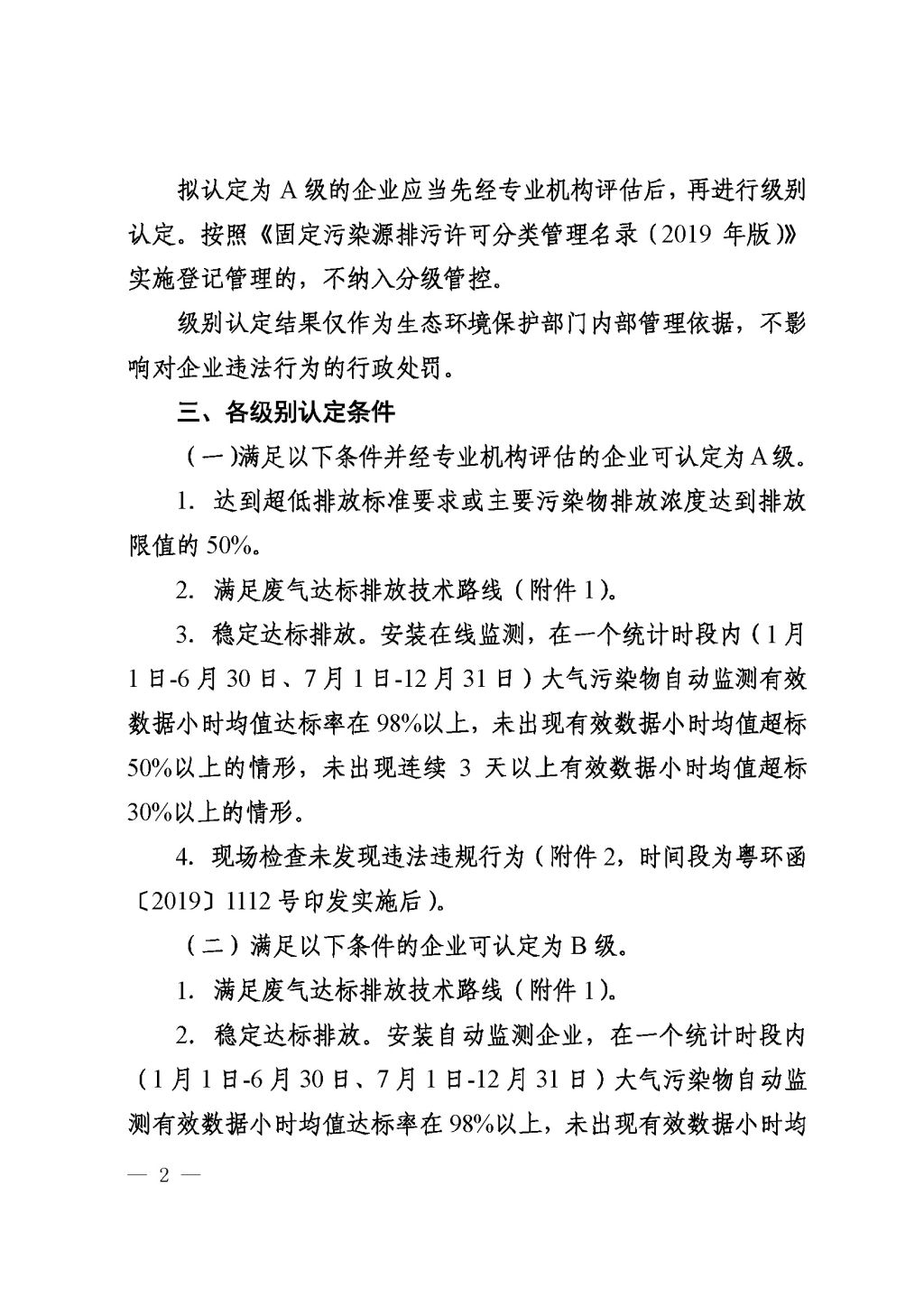
二、对照级别认定条件,对企业进行级别认定。拟认定为A级的企业应当先经专业机构评估后,再进行级别认定。按照《固定污染源排污许可分类管理名录(2019年版)》实施登记管理的,不纳入分级管控。
三、列入《广东省工业炉窑分级管控清单2019年版》的企业整治升级应在2020年12月31日前完成,不能按时完成的应认定为C级企业,各市(区)分局应指导帮扶C级企业在级别认定后一年内升级为B级企业。
此函。
附件:广东省生态环境厅关于印发《广东省涉工业炉窑企业大气分级管控工作指引》的通知
江门市生态环境局办公室
2020年8月10日
(联系人及电话:林康伟,3502036)
公开方式:主动公开



































































江门市政府门户网站

粤公网安备 44070302000670

