广东省司法厅文件
粤司规〔2017〕8号
广东省司法厅关于印发《广东省司法厅关于
公职律师资质的管理办法》的通知
各地级以上市及顺德区司法局,厅机关各处室、直属各单位:
现将《广东省司法厅关于公职律师资质的管理办法》印发给你们,请遵照执行。实施中遇到的问题,请径向省厅律师工作管理处反映。
广东省司法厅
2017年7月28日
广东省司法厅关于公职律师
资质的管理办法
第一章 总 则
第一条 为规范我省公职律师资质管理工作,根据中共中央办公厅、国务院办公厅《关于推行法律顾问制度和公职律师公司律师制度的意见》和中共广东省委办公厅、广东省人民政府办公厅《关于推行法律顾问制度和公职律师公司律师制度的实施意见》,参照《中华人民共和国律师法》《律师执业管理办法》《律师和律师事务所执业证书管理办法》等有关规定,结合我省实际,制定本办法。
第二条 本办法所称公职律师是指任职于省内各级党政机关、各级人大、政协和省内各人民团体,经省司法厅核准取得公职律师证书的公职人员,不包括公职律师事务所占编的专职公职律师。
第三条 本省各级党政机关、人大、政协和省内各人民团体的公职人员申请公职律师证书及补换发、注销公职律师证书的,适用本办法。
第四条 公职律师证书是公职律师依法获准执业的有效证件。公职律师证书应当记载公职律师的姓名、工作单位、证书编号等事项并加盖广东省司法厅印章。
第五条 司法行政部门负责公职律师的资质管理和职业道德、执业纪律监督指导。
律师协会负责与公职律师法律业务相关的交流、律师权益维护、行业自律等工作。
第二章 公职律师证书的申领
第六条 申请公职律师证书,应当具备下列条件:
(一)拥护中华人民共和国宪法;
(二)具有中华人民共和国法律职业资格或律师资格;
(三)担任党政机关、人大、政协、人民团体法律顾问,或者在党政机关、人大、政协、人民团体专门从事法律事务工作一年以上(因工作调动,其在原单位专门从事法律事务的工作年限可合并计算);
(四)品行良好;
(五)所在单位同意申请人担任本单位公职律师。
第七条 国家统一法律职业资格制度实施前已担任法律顾问、未取得法律职业资格或者律师资格的人员,其公职律师证书的颁发按照《关于推行法律顾问制度和公职律师公司律师制度的意见》(中办发〔2016〕30 号)第(二十六)项规定执行。
第八条 申请人具有下列情形之一的,不予颁发公职律师证书:
(一)无民事行为能力或限制民事行为能力的;
(二)受过刑事处罚的,但过失犯罪的除外;
(三)被开除公职或被吊销律师执业证书的;
(四)从事有偿法律服务或者法律服务中介活动,在律师事务所等法律服务机构兼职,以律师身份办理所在单位以外的诉讼或者非诉讼法律事务,原公职律师证书被所在单位收缴并被省司法厅注销的。
第九条 申领公职律师证书,应当提交以下材料:
(一)《公职律师证书呈报表》(附表1)、《公职律师执业登记表》(附表2);
(二)申请人身份证复印件;
(三)申请人法律职业资格证书或律师资格证书复印件;
(四)申请人所在单位出具的同意其担任公职律师的书面意见,书面意见应包括以下内容:
1.申请人为本单位在职公职人员;
2.申请人担任本单位法律顾问,或者专门从事法律事务工作一年以上(因工作调动,其在原单位专门从事法律事务的工作年限可合并计算);
3.本单位同意申请人担任本单位公职律师。
(五)申请人近期大一寸正装(非制服)免冠蓝底正面彩色相片一张。
第十条 公职律师在广东省内调动到其他党政机关、人大、政协、人民团体工作的,应当重新申请办理公职律师证书。
第三章 公职律师证书补换发
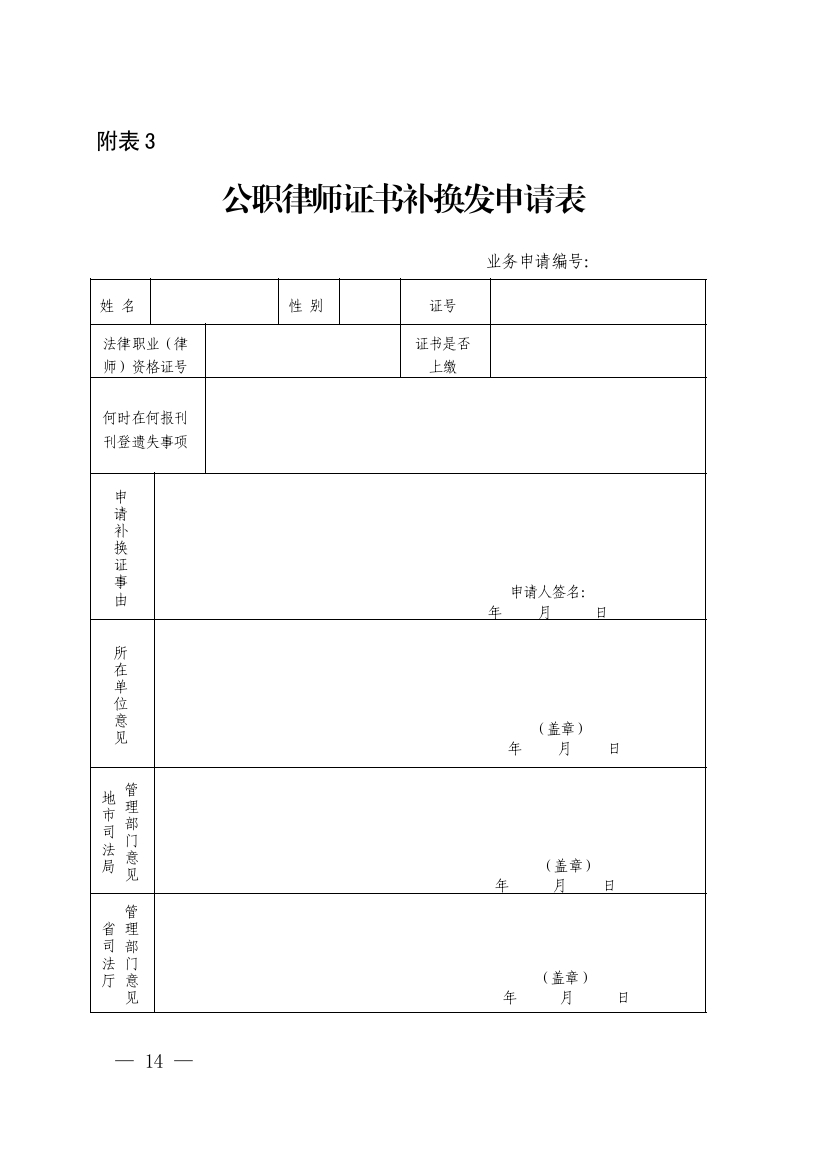
第十一条 公职律师因公职律师证书破损遗失等原因影响正常使用的,应当向司法行政部门提交下列材料,申请补发或者换发:
(一)《公职律师证书补换发申请表》(附表3);
(二)公职律师证书破损的提交破损的公职律师证书,公职律师证书遗失的提交遗失证明(内容和格式见附件);
(三)近期大一寸正装(非制服)免冠蓝底正面彩色相片一张。
遗失证明指公安机关的报案回执(被盗被抢遗失适用)或所在单位出具的证明(被盗被抢以外的原因遗失适用)。
第四章 公职律师证书收回与注销
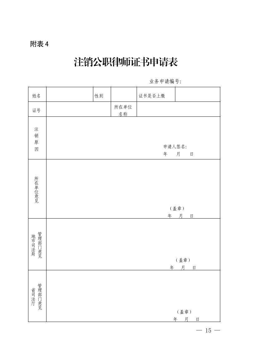
第十二条 公职律师因工作岗位调整、调动或退休不符合公职律师任职条件的,其所在单位应当收回其公职律师证书,并向司法行政部门提出注销其公职律师证书申请。
第十三条 申请注销公职律师证书,应当提交下列材料:
(一)《注销公职律师证书申请表》(附表4);
(二)公职律师证书;
(三)公职律师所在单位出具的同意注销证明。
第五章 办理程序
第十四条 公职律师证书由省司法厅核准颁发。申请人所在单位是省直单位的,由申请人所在单位向省司法厅提出申请;申请人所在单位不是省直单位的,由申请人所在单位向地级以上市司法行政部门提出申请。
申请材料提交复印件的,应提交原件核对,并加盖“复印件与原件核对无误”印章。
申请人在提交书面申请材料时,应当同时提交电子申请材料,并与书面申请材料保持一致。
第十五条 第十四条所规定负责接收申请材料的司法行政部门应当在收到申请材料之日起五日内参照《中华人民共和国行政许可法》第三十二条规定作出受理决定。地级以上市司法行政部门应当自受理之日起二十日内出具审查意见,连同全部申请材料上报省司法厅;省司法厅应当自受理或收到地级以上市司法行政部门报送的审查意见及申请材料之日起,二十日内完成核准和证书颁发工作。对符合申请条件的颁发公职律师证书;对不符合申请条件的,作出不予颁发证书的决定,并说明理由,书面通知申请人和申请人所在单位。
第十六条 申请公职律师证书补换发、注销的审查、核准期限,参照本办法第十五条的规定办理。
补换发公职律师证书的,地级以上市司法行政部门应当自收到申请材料之日起十日内完成审查,并上报省司法厅。
第十七条 省直单位公职人员的公职律师证书,由省司法厅发送申请人所在单位;其他单位公职人员的公职律师证书,由省司法厅发送至地级以上市司法行政部门后,由地级以上市司法行政部门发送申请人所在单位。
第六章 管理责任
第十八条 申请人在办理公职律师证书等业务中提供虚假材料或有其他弄虚作假行为的,由地级以上市司法行政部门参照《中华人民共和国行政许可法》第七十八、七十九条的规定处理,并通报申请人所在单位。
第十九条 司法行政部门工作人员在办理公职律师证书审批工作中违反本办法规定,滥用职权、玩忽职守、弄虚作假或有其他违纪违法行为的,按《中华人民共和国公务员法》的有关规定予以处理。
第二十条 公职律师不得违反规定从事有偿法律服务或者法律服务中介活动,不得在律师事务所等法律服务机构兼职;除公益性法律服务活动外,不得以律师身份办理所在单位以外的诉讼或者非诉讼法律事务。
公职律师违反上述规定的,司法行政部门应责令其停止非法执业,并建议其所在单位按照有关规定予以处分;公职律师所在单位应当收缴其公职律师证书,向司法行政部门申请办理注销手续,并根据公务员管理有关规定予以处分。
第七章 附 则
第二十一条 公职律师符合相应条件并经所在市律师协会考核合格,可以申请转换为社会律师或其他类别律师,并按照《广东省司法厅关于律师执业许可的管理办法》有关规定办理相关手续。
第二十二条 公职律师事务所占编的专职公职律师按照《广东省司法厅关于律师执业许可的管理办法》规定进行资质管理。
第二十三条 本办法由广东省司法厅负责解释,自2017 年10月1日起施行,有效期5年。此前广东省司法厅制定的有关公职律师管理的规定与本办法相抵触的,以本办法为准。









江门市政府门户网站

粤公网安备 44070302000670

